8.8/10.9/12.9外六角_泰兴市PA视讯机电设备有限公司 - 304/316外六角、内六角、螺丝、螺母、钢结构螺丝等


欢迎泰兴市PA视讯机电设备有限公司网站!
热线电话:150-5287-5798
您所在的位置: 首页 > 产品中心 > 螺栓 法兰 T型
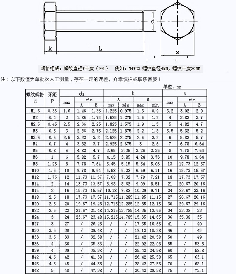
8.8/10.9/12.9外六角

8.8/10.9/12.9外六角

PA视讯

网站地图