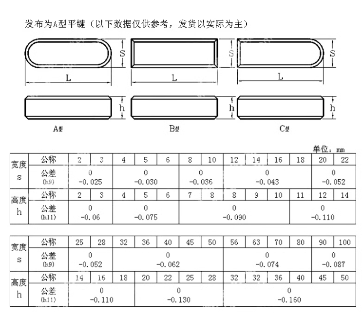
平键销A型 GB1096方键销方销两头半圆_泰兴市PA视讯机电设备有限公司 - 304/316外六角、内六角、螺丝、螺母、钢结构螺丝等
欢迎泰兴市PA视讯机电设备有限公司网站!
热线电话:150-5287-5798
您所在的位置: 首页 > 产品中心 > 键/销/开口销
平键销A型 GB1096方键销方销两头半圆

平键销A型 GB1096方键销方销两头半圆

PA视讯

网站地图